製品情報:TYCシリーズ
トランス収容ケース
TYC標準ケースは、常温常湿の屋内で静止床面据置き又は静止機器取付用としてトランスを組込加工しての販売を目的とした商品です。標準受注の場合は端子台引出しタイプです。

塗装色:マンセル2.5Y9/4 近似色
トランスをケースに組み込んでの御注文の他、ケース単体での御注文もお受け致します。
- トランス組み込み受注の場合
トランスをケースに取り付け、ケース前面の端子台まで内部配線し、出荷致します。
トランスとケースの適合はTYCケース適合リストをご参照ください。 - ケース単体受注の場合
TYCケース適合リストを参照の上、ケース品名に端子ネジが明記されているものは、それもあわせて、御指定下さい。指定が無い場合は寸法図記載の標準ネジ径の端子台付のケースとなります。
オプションにて各種部品(SW・NFB・ELB・コンセント・入力ケーブル等)の取付加工もいたします。
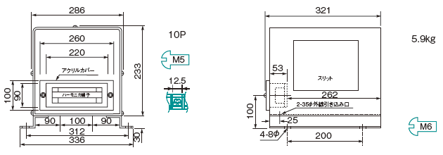
| 品名 | 寸法(mm)
ケース質量 標準添付端子台ネジ/端子間幅 |
仕様書 | 2D CAD |
|---|---|---|---|
| TYC-100 | ![]() |
DXF | |
| TYC-300 | ![]() |
DXF | |
| TYC-500 | ![]() |
DXF | |
| TYC-500 (M5 7P) |
DXF | ||
| TYC-01K | ![]() |
DXF | |
| TYC-01K (M5 7P) |
DXF | ||
| TYC-02K | ![]() |
DXF | |
| TYC-02K (M6 8P) |
DXF | ||
| TYC-03K | ![]() |
DXF | |
| TYC-03K (M6 10P) |
DXF | ||
| TYC-05K | ![]() |
DXF |
在庫状況一覧表(PDF)
※ 在庫状況につきましては更新日時点での在庫数量となります。予めご了承下さい。
TYC シリーズの配線・接続について
- 接続は、端子ネジ当り2本までとしてください。
- 圧着端子は絶縁付、又は絶縁チューブを使用し、絶縁距離を確保してください。
- 直接電線を接続される場合は、電線の被膜剥離長を座金の幅より1~2ミリ程度長めにカットされ、下図のように電線被膜が端子ネジ押さえ金具に接するまで挿入してください。2本の電線を接続する場合は、同サイズの電線を用い端子ネジの両側に挿入し、規定のトルクで確実に締付けてください。

- 端子ネジ締付けトルクは下記表の値に基づいて確実に行ってください。 - 締付けトルクが不十分な状態で通電されると、接続部が発熱したり、電線が脱落し感電・短絡・火災等の重大な事故の原因となる場合もあります。
| ネジサイズ | M3.5 | M4 | M5 | M6 | ||
|---|---|---|---|---|---|---|
| ネジの種類 | 端子 | 端子 | ※碍子 | 端子 | 端子 | ※碍子 |
| 締付けトルク(N・m) | 0.8~1.2 | 1.2~2.0 | 0.9~1.1 | 2.0~2.5 | 3.5~5.0 | 2.7~3.3 |
※碍子は、耐雷トランスに使用
TYCケース適合リスト
| 品名 | 適合トランス | ||||
|---|---|---|---|---|---|
| LZ11, LZ22 TZ11, TZ22 |
LU12, LD21 SD21, ZC22 |
LD41, LD42 SD41, SD42 SD51, SD52 |
UD11, UD22 AD21 |
3LD, 3SD SCT |
|
| TYC-100 | LZ11-100E※1
LZ11-150E※1 LZ22-100E※1 LZ22-150E※1 TZ11-060A※1 TZ11-100A※1 TZ22-060A※1 TZ22-100A2※1 |
LU12-100E※1
LD21-050E2※1 LD21-100E2※1 LD21-150E2※1 SD21-020A※1 SD21R-030A※1 SD21-030A2※1 SD21-050A2※1 SD21-100A2※1 |
LD41-050E
LD41-100E LD41-150E LD42-050E LD42-100E LD42-150E SD41-020A2 SD41-030A2 SD41-050A2 SD41-100A2 SD42-020A2 SD42-030A2 SD42-050A2 SD42-100A2 SD51-100A2 SD52-100A2 |
UD11-200A2※1
UD11-300A2※1 UD11-500A2※1 UD11-700B2 UD11-01KB2 UD22-200A2※1 UD22-500A2※1 UD22-01KB2 AD21R-050A※1 AD21-050A2※1 AD21-100A2※1 AD21-200A2※1 AD21-300A2※1 |
--- |
※1 定格一次電圧が100V以上300V以下、定格周波数が50Hzまたは60Hzあるいは両用で、定格容量が500VA以下のトランスをケースに組み込んで販売する場合、電気用品安全法に基づく認可の取得が必要な場合があります。
| 品名 | 適合トランス | ||||
|---|---|---|---|---|---|
| LZ11, LZ22 TZ11, TZ22 |
LU12, LD21 SD21, ZC22 |
LD41, LD42 SD41, SD42 SD51, SD52 |
UD11, UD22 AD21 |
3LD, 3SD SCT |
|
| TYC-300 |
LZ11-200E※1
LZ11-300E※1 LZ11-500E※1 LZ22-200E※1 LZ22-300E※1 LZ22-500E※1 TZ11-150A2※1 TZ11-200A2※1 TZ11-300A2※1 TZ22-150A2※1 TZ22-200A2※1 TZ22-300A2※1 |
LU12-300E※1
LU12-500E※1 LD21-200E2※1 LD21-300E2※1 LD21-500E2※1 SD21-200A2※1 SD21-300A2※1 |
LD41-200E
LD41-300E LD41-500E LD42-200E LD42-300E LD42-500E SD41-200A2 SD41-300A2 SD42-200A2 SD42-300A2 SD51-200A2 SD51-300A2 SD52-200A2 SD52-300A2 |
UD22-02KB2
AD21-500A2※1 AD21-700B2 AD21-01KB2 |
--- |
※1 定格一次電圧が100V以上300V以下、定格周波数が50Hzまたは60Hzあるいは両用で、定格容量が500VA以下のトランスをケースに組み込んで販売する場合、電気用品安全法に基づく認可の取得が必要な場合があります。
| 品名 | 適合トランス | ||||
|---|---|---|---|---|---|
| LZ11, LZ22 TZ11, TZ22 |
LU12, LD21 SD21, ZC22 |
LD41, LD42 SD41, SD42 SD51, SD52 |
UD11, UD22 AD21 |
3LD, 3SD SCT |
|
| TYC-500 |
LZ11-750F
LZ22-750F TZ11-500A2※1 TZ22-500A2※1 |
LD21-750F2
LD21-01KF2 SD21-500A2※1 |
LD41-750F
LD41-01KF LD42-750F LD42-01KF SD41-500A2 SD42-500A2 SD51-500A2 SD52-500A2 |
UD11-015KB2
UD22-03KB2 AD21-015KB2 |
3LD-500F※2
3SD-500B※2 |
| TYC-500 (M5 7P) |
--- | --- | --- | UD11-02KB2 | --- |
ケース名併記( )内は、組込むトランスに対応した端子台内容を表記しております。
※1 定格一次電圧が100V以上300V以下、定格周波数が50Hzまたは60Hzあるいは両用で、定格容量が500VA以下のトランスをケースに組み込んで販売する場合、電気用品安全法に基づく認可の取得が必要な場合があります。
※2 端子数(ケース付属の端子台)の都合上、一次・二次電圧をそれぞれ1タップとさせていただきます。ご注文時には必要なタップ電圧をご指定ください。
| 品名 | 適合トランス | ||||
|---|---|---|---|---|---|
| LZ11, LZ22 TZ11, TZ22 |
LU12, LD21 SD21, ZC22 |
LD41, LD42 SD41, SD42 SD51, SD52 |
UD11, UD22 AD21 |
3LD, 3SD SCT |
|
| TYC-01K |
LZ11-01KF
LZ11-015KF LZ22-01KF LZ22-015KF TZ11-01KB2 TZ22-01KB2 |
LU12-01KF
LU12-015KF LD21-015KF2 SD21-01KB2 ZC22-01KB2 |
LD41-015KF
LD42-015KF SD41-01KB2 SD42-01KB2 SD51-01KB2 SD52-01KB2 |
--- | --- |
| TYC-01K (M5 7P) |
--- | --- | --- |
UD11-03KB
UD22-05KB2 |
--- |
| 品名 | 適合トランス | ||||
|---|---|---|---|---|---|
| LZ11, LZ22 TZ11, TZ22 |
LU12, LD21 SD21, ZC22 |
LD41, LD42 SD41, SD42 SD51, SD52 |
UD11, UD22 AD21 |
3LD, 3SD SCT |
|
| TYC-02K |
LZ11-02KF
LZ11-03KF LZ22-02KF LZ22-03KF TZ11-015KB TZ11-02KB TZ22-015KB TZ22-02KB |
LD21-02KF
LD21-03KF SD21-015KB SD21-02KB SD21-03KB ZC22-02KB |
LD41-02KF
LD41-03KF LD42-02KF LD42-03KF SD41-02KB SD42-02KB SD51-02KB SD52-02KB |
AD21-02KB2
AD21-03KB |
3LD-01KF※2
3LD-015KF※2 3SD-01KB※2 3SD-015KB※2 SCT-01KB※2 |
| TYC-02K (M6 8P) |
--- | --- | --- |
AD21-04KB
AD21-05KB |
--- |
※2 端子数(ケース付属の端子台)の都合上、一次・二次電圧をそれぞれ1タップとさせていただきます。ご注文時には必要なタップ電圧をご指定ください。
| 品名 | 適合トランス | ||||
|---|---|---|---|---|---|
| LZ11, LZ22 TZ11, TZ22 |
LU12, LD21 SD21, ZC22 |
LD41, LD42 SD41, SD42 SD51, SD52 |
UD11, UD22 AD21 |
3LD, 3SD SCT |
|
| TYC-03K |
LZ22-04KF
TZ11-03KB TZ22-03KB TZ22-04KB TZ22-05KH |
ZC22-03KB |
LD42-04KF
SD41-03KB SD42-03KB SD42-05KH SD51-03KB SD52-03KB |
--- |
3LD-02KF※2
3LD-03KF※2 3SD-02KB※2 3SD-03KB※2 SCT-02KB※2 |
| TYC-03K (M6 10P) |
LZ11-04KF
TZ11-04KB TZ11-05KH |
LD21-04KF
SD21-04KB |
LD41-04KF
SD41-05KH |
--- | --- |
※2 端子数(ケース付属の端子台)の都合上、一次・二次電圧をそれぞれ1タップとさせていただきます。ご注文時には必要なタップ電圧をご指定ください。
| 品名 | 適合トランス | ||||
|---|---|---|---|---|---|
| LZ11, LZ22 TZ11, TZ22 |
LU12, LD21 SD21, ZC22 |
LD41, LD42 SD41, SD42 SD51, SD52 |
UD11, UD22 AD21 |
3LD, 3SD SCT |
|
| TYC-05K |
LZ11-05KF
LZ22-05KF TZ11-05KB TZ22-05KB |
LD21-05KF
SD21-05KB ZC22-05KB |
LD41-05KF
LD42-05KF SD41-05KB SD42-05KB SD51-05KB SD52-05KB |
--- |
3LD-04KF※2
3LD-05KF※2 3SD-05KB※2 3SD-075KB※2 3SD-10KB※2 3SD-05KH※2 3SD-075KH※2 3SD-10KH※2 SCT-03KB※2 |
※2 端子数(ケース付属の端子台)の都合上、一次・二次電圧をそれぞれ1タップとさせていただきます。ご注文時には必要なタップ電圧をご指定ください。
TYCケース加工 特別仕様品
端子台使用の加工例

全面ブラインドケース使用の加工例

※上記はオプション仕様の一例です。その場合、TYC ケース適合リストと合致しない場合もありますのでご注意下さい。
※その他、特別仕様につきましては、取扱店までお問い合わせ下さい。






